ATV Knowledge Center
Knowledge & Learning Tools
Access valuable resources to help you maintain, repair, and understand your ATV. Browse OEM schematics, explore repair guides, and discover recommended part bundles for common maintenance and repair tasks.
Maintenance Resources
Repair Guides
Technical Diagrams
Pro Tip
Use our knowledge resources to save time and money on your ATV repairs. Many common issues can be fixed at home with the right guidance and parts.
OEM Schematics
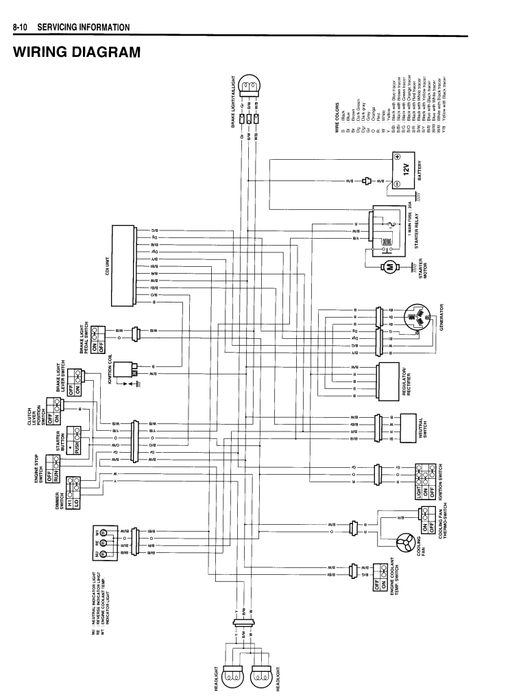
Download official manufacturer schematics and diagrams for your ATV. These detailed technical drawings help you identify parts and understand how components fit together during repairs and maintenance.
Technical Diagrams Component Layouts

Honda
Cylinder Head Diagram
TRX 400EX•1999-2004

Honda
Carburetor Exploded View
TRX 400EX•1999-2004

Yamaha
Suspension Components
YFZ 450•2004-2009

Suzuki
Electrical System Wiring
LTZ 400•2003-2008